GRT1030 is an online pH composite electrode for industrial water quality monitoring. Suitable for online pH measurement in environmental protection, lime slurry, and other working circumstances, with rapid reaction, high stability, minimal maintenance, and long-term usage with online pH analyzers. A pH composite sensor for realtime industrial water quality monitoring. Its antifouling ring polytetrafluoroethylene (PTFE) liquid junction+gel dielectric salt bridge construction makes it difficult to block and poison, making it suitable for long-term online usage in complicated operating environments.
★★★★★
Features
Specifications
| Parameter | Value |
|---|---|
| Measurement Range | 0-14 pH |
| Theoretical percentage slope | ≥95% |
| Zero potential | 7±0.5 |
| Temperature Range | 0-60℃ |
| Pressure Range | 0-0.4 M Pa |
| Internal Resistance | ≤ 250 MΩ at 25 degrees |
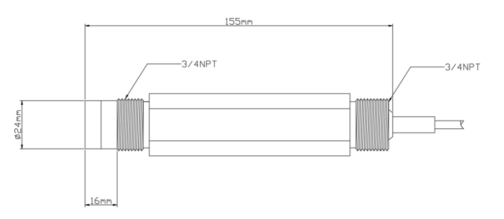
| Thread Size | 3/4 inch NPT |
Scope of Application
- Online monitoring of the environmental protection industry
- Lime slurry working conditions
- Online pH detection for general industrial wastewater and process water
Applicable scenarios

Environmental Protection Industry: Online pH Monitoring for Municipal Wastewater and Industrial Wastewater
Lime slurry working conditions: such as pH adjustment of desulfurization system and lime dosing system
Circulating water and process water: pH control in neutralization tank, reaction tank, coagulation tank and other process sections
General industrial processes: Production processes that require online and continuous measurement of pH

Usage, maintenance and precautions
Measurement pre-processing
- Before each measurement, the electrode should be rinsed with distilled water or deionized water, and then gently dried with filter paper to avoid impurities from entering the measured liquid.
- During measurement, it should be ensured that both the electrode bulb and the liquid contact area are immersed in the measured liquid at the same time.
Electrode storage
- When not in use, the electrode should be cleaned and covered with a protective cover containing 3.3 mol/L KCl solution to keep the sensitive area of the sensor moist.
Media limitations
- The pH sensor of sewage should avoid long-term immersion in distilled water, protein solutions, and acidic chloride solutions, and avoid contact with organic silicon oils and fats.
Electrode cleaning
- After long-term use, if the glass film becomes semi transparent or has sediment, it can be lightly washed with dilute hydrochloric acid and then rinsed with clean water.
- For accurate measurements, clean and calibrate the equipment weekly.
Judgement of electrode failure
- If the calibration fails or the reaction is delayed after cleaning and maintenance according to the instructions, the electrode should be changed soon.
Sensor diagram illustration

- After opening the packaging, check whether there is mechanical damage to the sensitive bulb and electrode body of the electrode.
- Remove the sensor protective cover and check if there are any bubbles in the sensitive bulb of the electrode. If so, gently shake the sensor in a vertical plane to remove the bubbles.
- Select the corresponding sensor sleeve or cable head for installation according to different electrodes.
- The connection between the sensor wire and the electrode is not waterproof, please make sure to do a good job of waterproofing.
Wire stripping instructions

Attention
- The outer layer of the transparent central axis is covered with a conductive rubber layer and a metal mesh layer. When stripping, first strip the metal mesh layer into the metal mesh as shown in the picture, and be sure to removal of conductive black skin on the transparent central axis;
- The cable extends to the host without any contact points except for a dedicated junction box.
Technical Support
5 Best carbon monoxide detector for garage
10 Best carbon monoxide monitor for industrial use 2025
7+ Best Recommended Carbon Monoxide Detector for Industrial Use
What Is pH in Water? A Complete Guide to Understanding (2026)
6 Types of Industrial Oxygen Sensors
6 Best Industrial Gas Detector Manufacturers in the World
If you are looking for a solution for wastewater treatment, lime slurry, or other industrial processes
Industrial pH electrodes with strong anti pollution ability, long-term online operation, and low maintenance,
The GRT1030 pH electrode would be a very suitable choice.
Request a Quote
.png)












