In order to meet the requirements of properly detecting conductivity in a variety of water types, Sino-inst’s KSS Series Conductivity electrode are constructed with high-performance materials and may be set up in a number of various ways. In addition to having large-area platinum electrodes and being constructed out of ABS+316L stainless steel, these sensors also feature a temperature adjustment that may be customized. Their reliability is exceptional, they are resistant to corrosion, and they can be utilized for online monitoring.
★★★★★
Core Product Parameters
| Model | Cell Constant | Measurement Range | Temperature Resistance | Pressure Resistance | Installation Size |
|---|---|---|---|---|---|
| KSS0.01 | 0.01±0.02 | 0.05μS/cm – 10μS/cm | 0~50℃ | 0.5Mpa | 1/2 NPT Thread |
| KSS0.1 | 0.1±0.02 | 0.2μS/cm – 200μS/cm | 0~50℃ | 0.5Mpa | 1/2 NPT Thread |
| KSS1.0 | 1±0.2 | 2μS/cm – 2000μS/cm | 0~50℃ | 0.5Mpa | 1/2 NPT Thread |
| KSS10.0 | 10±2 | 2mS/cm – 200mS/cm | 0~50℃ | 0.5Mpa | 1/2 NPT Thread |
KSS-Series Conductivity Electrode
Core Highlights
- Corrosion and stain resistance: ABS+316L stainless steel+large-area platinum, resistant to various media other than fluorinated acids.
- Measurement accuracy: The accuracy of the pool constant is ± 0.02, and the temperature effect is offset by multiple temperature supplements.
- Wide adaptability: low conductivity range measurement, compatible with multiple instruments and scenarios.
- Easy installation and maintenance: Standardized 1/2NPT interface, easy to clean and calibrate.
Featured Applications
Ultra-Pure Water Monitoring: KSS0.01 (0.05μS/cm – 10μS/cm) is ideal for ultra-pure water quality analysis in electronics, pharmaceutical, and semiconductor industries.
Pure Water & Low-Conductivity Water Testing: KSS0.1 (0.2μS/cm – 200μS/cm) fits environmental monitoring, pure water treatment, and laboratory water quality analysis.
General-Purpose Water Monitoring: KSS1.0 (2μS/cm – 2000μS/cm) is widely used for conductivity measurement of tap water, industrial circulating water, and conductometric titration in chemical experiments.
High-Conductivity Water Analysis: KSS10.0 (2mS/cm – 200mS/cm) suits high-salinity water, industrial wastewater, and concentrated solution monitoring in chemical, printing, and dyeing industries.


Installation and operation points
- If you’re not going to use it for a while, put it somewhere dry. To keep the platinum coating, put the electrode in deionized water if you need to store it for a long time.
- To clean, mix warm water with soap or alcohol to get rid of organic dirt. To get rid of calcium and magnesium buildup, use 10% citric acid. Be careful not to damage the electrode surface.
- Installation: Before you open, look for damage to the parts. To place, use protective sleeves or cable glands that match. The electrode-wire connection is not waterproof by design, so make sure it is.
- When you need to calibrate your equipment, you can either use the reference solution approach (which involves making standard calibration solutions) or the comparison method (which involves measuring the same solution with an electrode whose value is known to be constant).
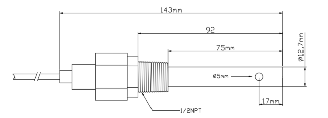
Electrode diagram illustration

Technical Support
Top 6 Industrial Gas Analyzers Manufacturers 2025
6 Best Industrial Gas Detector Manufacturers in the World
9 Best Portable Carbon Dioxide Detector 2025 – Complete Buying Guide
Top 7 portable combustion analyzer Tested
The Sino-inst KSS Series conductivity sensors offer customized options for all conductivity needs, from ultra-pure water to high-conductivity media, as an example. The materials used are resistant to corrosion, the temperature compensation can be changed, and the installation process is simple. This means that they provide reliable and accurate data for a wide range of uses. You can count on Sino-inst to supply you with reliable and easy water quality tracking.
Request a Quote
.png)






